Domingo, 05 de Abril de 2026

Actualizada Domingo, 05 de Abril de 2026 a las 19:17:25 horas

Miércoles, 23 de Septiembre de 2020

Los persas ya inventaron el acero inoxidable hace mil años

El acero al cromo, similar a lo que conocemos hoy como acero para herramientas o inoxidable, se fabricó por primera vez en Persia, casi un milenio antes de lo que los expertos pensaban anteriormente.

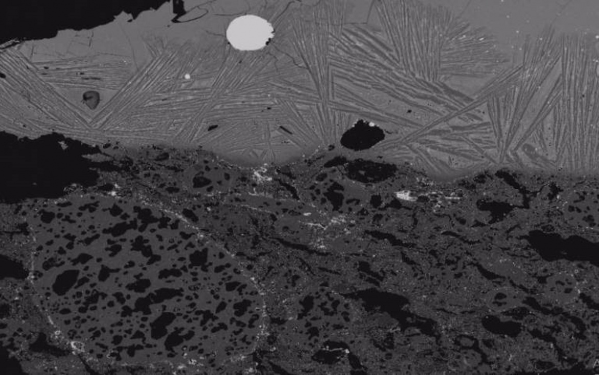
[Img #103385]
 
El descubrimiento, publicado en el Journal of Archaeological Science, se realizó con la ayuda de varios manuscritos persas medievales, lo que llevó a los investigadores a un sitio arqueológico en Chahak, en el sur de Irán.
 
Los hallazgos son significativos dado que los científicos de materiales, historiadores y arqueólogos han considerado durante mucho tiempo que el acero inoxidable --aleación de acero con un 10-12% de cromo contenido en masa-- fue una innovación del siglo XX.
 
El doctor Rahil Alipour, del Deparatamento de Arqueología del University College London (UCL), autor principal del estudio, dijo en un comunicado: "Nuestra investigación proporciona la primera evidencia de la adición deliberada de un mineral de cromo en la producción de acero. Creemos que fue un fenómeno persa".
 
"Esta investigación no solo ofrece la evidencia más antigua conocida de la producción de acero al cromo que se remonta al siglo XI d.C., sino que también proporciona un trazador químico que podría ayudar a identificar los artefactos de acero al crisol --elaborado mediante diferentes técnicas fundamentadas en el lento proceso de calentamiento y enfriamiento del hierro puro en un crisol-- en museos o colecciones arqueológicas desde su origen en Chahak, o la tradición Chahak".
 
Chahak se describe en una serie de manuscritos históricos que datan del siglo XII al XIX como un centro de producción de acero que alguna vez fue famoso, y es el único sitio arqueológico conocido dentro de las fronteras de Irán con evidencia de fabricación de acero al crisol.
 
Si bien Chahak está registrado como un sitio de importancia arqueológica, la ubicación exacta de la producción de acero al crisol en Irán sigue siendo un misterio y difícil de localizar en la actualidad, dado que numerosas aldeas en Irán se llaman Chahak.
 
El manuscrito 'al-Jamahir fi Marifah al-Jawahir' ('Un compendio para conocer las gemas', siglos X-XI d.C.) escrito por el erudito persa Abu-Rayhan Biruni, fue de particular importancia para los investigadores dado que proporcionó la única receta conocida de fabricación de acero al crisol.
 
Esta receta registró un ingrediente misterioso que identificaron como mineral de cromita para la producción de acero al cromo al crisol.
 
El equipo utilizó la datación por radiocarbono de una serie de piezas de carbón extraídas de una escoria de crisol y una escoria de forja (subproductos que quedaron después de que el metal se separó) para fechar la industria entre los siglos XI y XII d.C.
 
Fundamentalmente, los análisis con microscopía electrónica de barrido les permitieron identificar restos del mineral cromita, que se describió en el manuscrito de Biruni como un aditivo esencial para el proceso.
 
También detectaron 1-2 por ciento en peso de cromo en partículas de acero conservadas en las escorias del crisol, lo que demuestra que el mineral de cromita sí formó una aleación de acero al cromo, un proceso que no vemos que se vuelva a utilizar hasta finales del siglo XIX y principios del XX.
 
El profesor Thilo Rehren, también de UCL y coautor del estudio, dijo: "En un manuscrito persa del siglo XIII traducido por el Dr. Alipour, el acero Chahak se destacó por sus patrones finos y exquisitos, pero sus espadas también eran quebradizas, por lo que perdieron su valor de mercado. Hoy el sitio es un pueblo pequeño y modesto, que antes de ser identificado como un sitio de interés arqueológico, solo era conocido por su agricultura".
 
Los investigadores creen que marca una tradición persa distinta de fabricación de acero al crisol, separada de los métodos de Asia Central más conocidos en Uzbekistán y Turkmenistán, para la producción de acero con bajo contenido de cromo (producido en alrededor del 1 por ciento en peso de cromo).
 
El profesor Marcos Martinon-Torres, de la Universidad de Cambridge, último autor del estudio, dijo: "El proceso de identificación puede ser bastante largo y complicado y esto se debe a varias razones. En primer lugar, el lenguaje y los términos utilizados para registrar procesos o materiales tecnológicos pueden dejar de utilizarse, o su significado y atribución pueden ser diferentes a los utilizados en la ciencia moderna ".
 
Comentarios Comentar esta noticia
Comentar esta noticia

Normas de participación

Esta es la opinión de los lectores, no la de este medio.

Nos reservamos el derecho a eliminar los comentarios inapropiados.

La participación implica que ha leído y acepta las Normas de Participación y Política de Privacidad

Normas de Participación

Política de privacidad

Por seguridad guardamos tu IP
216.73.216.38

Todavía no hay comentarios

Con tu cuenta registrada

Escribe tu correo y te enviaremos un enlace para que escribas una nueva contraseña.